Understanding Electric Motor Frame Size Chart Pdf
One exception to this is the “c” dimension (overall motor length) which will 400v/50hz • class f insulation.


27 11 878 30 0 website:



Understanding electric motor frame size chart pdf. Shaft all motors are provided with single shaft extension in accordance with is : In that time there have been a great many changes. General performance ie3 cast iron motors in frame sizes 71 to 355 general performance ie3 motors are ideal for oems to build into pumps and fans, as well as for other applications including gear boxes, conveyors and general machinery.
The robust, straightforward motors meet all basic requirements on the market. Motors with frame size up to 160 these motors are wound to work at either 50 hz or 60 hz, in the following voltage ranges: Motor sizing motor sizing refers to the process of picking the correct motor for a given load.
The frame number specifies dimensions of a general purpose motor frame. Rotor entire range of motors is fitted with dynamically balanced aluminum pressure die cast squirrel cage rotors. Need a motor for a special project…siemens has that
One of the most obvious has been the ability to pack more horsepower in a smaller physical size. Motor types, in all frame sizes and power ratings with a comprehensive set of options and quick modifications. Frame relationships are a bit easier;
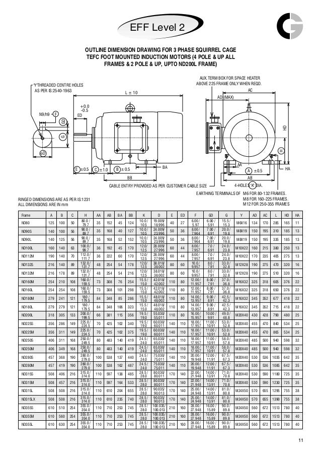
Iec frame motors farm  duty motors definite  purpose motors unit  handling  motors brake  motors 200  &  575  volt motors iec  frame motors 50  hertz motors inverter/vector motors  &  controls dc  motors and  controls soft  start  &  dynamic  brakes metric iec frame motors, three phase, 60. Cage, 3 phase, induction motors lower than 1000v and smaller than 315 frame size can safely run continuously at the speed in the table below. Figure 2 is a view of the underside of an electric motor.
What electric motor frame sizes tell you. It sis important to size a motor correctly because: The present frame size assignments are based on class b insulation.
The above chart provides typical baldor•reliance motor dimensions. Frame size 12) design code If a motor is too small for an application it may not have sufficient torque to start the load and run it up to the correct speed.
What do nema sizes mean applied motion. For frame size 180m, 180l and 200l it can be provided on request. The premium choice for the oem.
Many have been in the situation where you needed a specific frame only to realize it was made with a special shaft or has a. Frame size basis on page 14 you will find a baldor frame size chart that is a great reference on “t” frame, “u” frame and original frame motors. Another important achievement has been the standardization of motors by the national
Most of the dimensions are standard dimensions that are common to all motor manufacturers. Nema and iec use the same nomenclature for the 56 For more exact dimensional data, please check the specific drawing for each catalog number.
Pump motors nema low voltage abb. Nema low voltage motors selection pricing guide us version. Dimensional data for 444t through 449ts frame sizes reflect the use of a top mounted conduit box with a cantilevered mounting arm.
Frame size 2 pole 4 pole 6 pole ≦100 5200 3600 2400 112 5200 3600 2400 132 4500 2700 2400 160 4500 2700 2400 The letters are nema standard letters and the actual dimensions for general purpose motors are shown in table 1. Our lv nema motor portfolio consists of motors with power ratings of 1hp up to 900hp with a variety of voltages up to 600v, stocked to meet the needs of the north american market.
Esr motor systems www.esrmotors.com esr motor systems, llc • 648 e white st, rock hill, sc 29730 phone: The diameter of the bolt hole of the motor mounting bracket is letter h. • motor dimensions compliant with iec 60072 standard.
The mystery of motor frame size introduction industrial electric motors have been available for nearly a century. 06/05/2019 it is standard to see the “frame” size on every electric motor nameplate, but do you understand what that frame means in regard to the mounting of the motor? The common insulation classes used in electric motors at the present time are class b, class f and class h.
4 branch road, germiston 1401, p.o bo 678, germiston 1400 email: Www.actomep.co.za rated output frame size shaft diameter (kw) (mm) 0.55 80 19 0.75 80 19 1.1 90s 24 1.5 90l 24 2.2 100l 28 3 100l 28 4 112m 28 5.5 132s 38 7.5 132m 38 9.2 132m 38 11 160m 42 15 160l 42 18.5 180m 48 22 180l 48 30 200l 55 37. It is the predominant class of insulation used in motor manufacturing today.
Based on a 40 degrees c Specific mechanical dimensions, plus codes for general frame size. The electrical characteristics detailed in this catalog apply to the standard voltages/frequencies.
Even if it does get the China ylv low voltage high power 185 800kw three phase asynchronous ac electric induction motor pdf s1 duty frame size 400 450mm for cement oil gas ylv400 3 2 450kw electrical fan.
















0 Response to "Understanding Electric Motor Frame Size Chart Pdf"
Post a Comment